blog
Dom blog

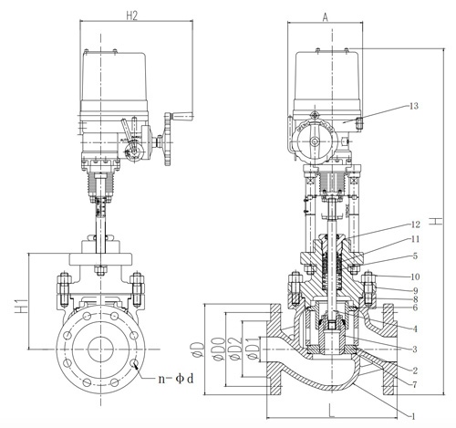
Elektryczny zawór sterujący ciśnieniem pojedynczym z podwójną klapą po każdej stronie

Elektryczny zawór sterujący ciśnieniem pojedynczym z podwójną klapą po każdej stronie

November 30, -0001

Wstęp:

 

W dynamicznym świecie procesów przemysłowych precyzyjna kontrola jest priorytetem. Przedstawiamy rewolucyjne rozwiązanie firmy GEKO Elektryczny zawór sterujący ciśnieniem pojedynczym z podwójną klapką po obu stronach najnowocześniejsze rozwiązanie zaprojektowane tak, aby przenieść Twoje możliwości kontroli na niespotykany dotąd poziom.

 

Electric-Pressure-Balance-Single-Seat-Control-Valve-with-a-Double-Flap-On-Each-Side.jpg

 

Główne cechy:

 

Precyzja zdefiniowana na nowo:

GEKO's Elektryczny zawór równoważący ciśnienie został zaprojektowany z myślą o zapewnieniu niezrównanej precyzji w sterowaniu natężeniem przepływu i ciśnieniem. Konstrukcja z podwójnymi klapami po obu stronach zapewnia responsywną i dokładną modulację, umożliwiając optymalną kontrolę procesu w różnorodnych zastosowaniach.

 

Technologia równoważenia ciśnienia:

Zastosowana w tym urządzeniu technologia równoważenia ciśnienia zawór sterujący zapewnia stabilność i niezawodność działania. Ciesz się stałą wydajnością nawet w trudnych i zmiennych warunkach procesowych dzięki zaangażowaniu GEKO w najnowocześniejszą inżynierię.

 

Zaleta podwójnej klapy:

Podwójna konstrukcja klapy po obu stronach zaworu to przełom. Zwiększa precyzję sterowania, minimalizuje histerezę i optymalizuje czas reakcji. Ta innowacyjna funkcja wyróżnia firmę GEKO jako lidera w technologii zaworów regulacyjnych.

 

Wszechstronność w pełnym wydaniu:

Niezależnie od tego, czy działasz w przemyśle chemicznym, petrochemicznym, energetycznym czy innych gałęziach przemysłu przetwórczego, elektryczny zawór równoważący ciśnienie firmy GEKO został zaprojektowany z myślą o szerokim zakresie zastosowań. Jego wszechstronność sprawia, że ​​jest to idealne rozwiązanie dla inżynierów i operatorów poszukujących niezawodnego i wszechstronnego zaworu regulacyjnego.

 

Bezproblemowa integracja:

Integracja z istniejącymi systemami sterowania jest bezproblemowa, co pozwala na bezproblemową modernizację obecnej konfiguracji. Ciesz się korzyściami płynącymi z nowoczesnej technologii sterowania bez konieczności wprowadzania rozległych modyfikacji.

 

Solidna konstrukcja:

Firma GEKO rozumie wymagania środowisk przemysłowych. Zawór sterujący został zaprojektowany z myślą o trwałości, charakteryzując się solidną konstrukcją, która zapewnia długowieczność i minimalną konserwację, przyczyniając się do ogólnej opłacalności.

 

Wniosek:


Elektryczny zawór regulacyjny z pojedynczym gniazdem i podwójną klapą GEKO to przełomowe rozwiązanie dla branż poszukujących precyzji, wydajności i niezawodności. Zwiększ swoje możliwości sterowania i utrzymaj przewagę konkurencyjną dzięki zaangażowaniu GEKO w innowacyjność i doskonałość. Zainwestuj w przyszłość technologii sterowania – wybierz GEKO. info@geko-union.com

 

zostaw wiadomość

zostaw wiadomość
Jeśli jesteś zainteresowany naszymi produktami i chcesz poznać więcej szczegółów, zostaw wiadomość tutaj, a my odpowiemy tak szybko, jak to możliwe.
składać

Dom

Produkty

kontakt